Oczywiście sam to zauważyłeś, mi było prościej zaprojektować przetwornice impulsową niż bawić się w przerabianie. Dlaczego prościej już tłumacze,
Przetwornice które opisywałem zwykle widuje w konfiguracji przetwornic samowzbudnych co znaczy tylko tyle ze same się "huśtają" poprzez jakieś sprzężenie zwrotne.
I teraz zaczyna się zabawa
Niema sprzężenia które zazwyczaj jest jakąś pętlą prądową np z odczepu uzw. trafa to nie ma oscylacji. Jest zwarcie niema oscylacji niema sprzężenia , jest impulsowe obciążenie to napięcie w przetwornicy zaczyna tętnić ale nie w dół napięciem tylko do góry (wynik oddania części reaktancji z trafa)
dlatego te przetwornice mają pewien rozrzut napięć zależne od przekładni trafa sprzężenia i rodzaju obciążenia
Konkluzje ja bym na Twoim miejscu wykonał układ testowy i mierzył zwykłym multimetrem napięcie na wyjściu
napięcia jakiego możesz sie spodziewać 800V (+/- 150V). Jeśli pójdziesz tą drogą to pamiętaj o tym że mierniki zwykle mierzą takie napięcia o częstotliwości do 400hz tam panują częstotliwości rzędu 100khz
wiec wykonaj również układ prostowniczy i obciążenie wtedy możesz śmiało mierzyć. BĄDŹ OSTROŻNY , BHP PRZEDE WSZYSTKIM TO JUŻ NIE 5VDC DO ZASILANIA STYKÓWKI CZY PROCKA
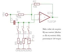
Objaśniając działanie dzielnika potencjałowego pojemnościowego w zasadzie niewieloma szczegółami różni się od rezystancjonalnego. Też dzieli napięcia

ma on podstawową zaletę jest dedykowany do napięć przemiennych i potrafi znieść większe napięcia niż rezystancyjny. Często stosowane są takie podzielniki przy np przemysłowych nadajnikach mocy np radio lub tv, maszynach rentgenowskich itd.
sposób obliczania jest prosty zamiast rezystywności mamy tu reaktancje. wiec liczysz reaktancje obu kondensatorów, teraz liczysz prąd w obwodzie czyli dzielisz napięcie przez sumę reaktancji obu kondensatorów otrzymujesz prąd. Jak masz prąd to obliczasz napięcie odłożone na każdym kondensatorze względem pradu płynacego i jego reaktancji pojemnościowej.
Proste zero algebry działań nieliniowych układów złożonych
Odpowiedz na to że chciałbyś strzelać impulsowo z impulsowej przetwornicy wywołało u mnie lekki uśmiech ,ale ok

odpowiedz brzmi ona już jest impulsowa chyba bardziej być nie może

a tak na serio, dodanie kondensatora C4 jak na moim schemacie spowoduje, że powstanie tam pewna stała czasowa którą będziesz mógł regulować enegie impulsu oraz jego czas. Do tego będziesz potrzebował Reaktancji dzielnika i wartości tego konda C4. Spłycając im większe C4 tym większa energia impulsu ale czas ładowania dłuższy. Mniejsze C4 czas krótszy energia mniejsza.
Pozdrawiam dzięki za pochwałę eeYY Pigułkę
